Information

Apartment, Studio (1+1)

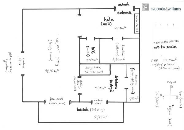
Very bright south-facing apartment with balcony and garage parking space, situated on the upper ground floor of a boutique-style development overlooking a garden in the sought after residential neighborhood of Hřebenky in Prague 5.

The apartment consists of a south-east facing living room with direct access to the balcony and garden-view window, separate kitchen with window and practical larder. The flat has a cellar. Price includes kitchen with appliances (fridge, washing machine), new Protherm gas boiler and 1 onsite garage parking space.

Location features all public amenities; In the immediate vicinity you can find Klamovka and Ladronka parks, and Strahov - offering leisure activities and a children's playground. Bus and tram stops just 3 minutes away offering direct connection to the popular Anděl Shopping Mall.

Interior 39.4m2, balcony 10.73 m2, cellar 2.5 m2.

Facilities

  • Cellar
  • Garage

Floor plan

  • Floor plan 1

Overview table

  • Reference number
    20652
  • Selling price
    Sold
  • Building services
    CZK 1 500 monthly
  • Floor area *
    39 m²
  • Balcony
    11 m²
  • Total area
    50 m²
  • Parking
    1 garage parking space
  • Cellar
    Yes
  • Building Energy Rating
    G
* Area of the unit according to the Civil Code. The area consists of the sum total area of the entire unit bounded by perimeter walls.

Location

Property surroundings

Contact us

optional
optional

Get the latest offers directly in your inbox

Location
Parameters
Size
Min
Max.
Price range
Price min.
Price max.
Price range
Price min.
Price max.