-
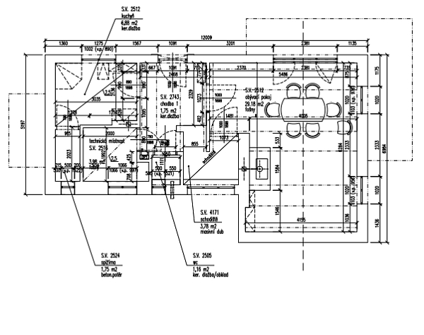
House Two-bedroom (3+1)
-
Praha-západ, Štěchovice, Masečín
- Total area
- 122 m²
- Plot
- 6 114 m²
- Terrace
- 15 m²


































